1 Настройка
1.1.Извлечь заглушку из отверстия корпуса для доступа к кнопке.
1.2.Подать питание на реле (“85” - минус, “86” - “плюс”). Реле начнёт работать в предварительно заданном режиме.
1.3.Настроить параметры реле с помощью кнопки в соответствии с диаграммой (рис.3).
1.4.Установить заглушку на место.
2 Подключение
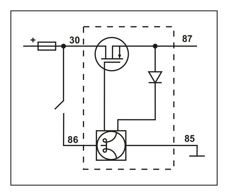
2.1. Подключить реле по схеме (рис.1).
2.2. При подаче питания реле начнёт работать в предварительно заданном режиме в соответствии с диаграммой (рис.2).
рис.1
рис.2
