РЕГТАЙМ6-12
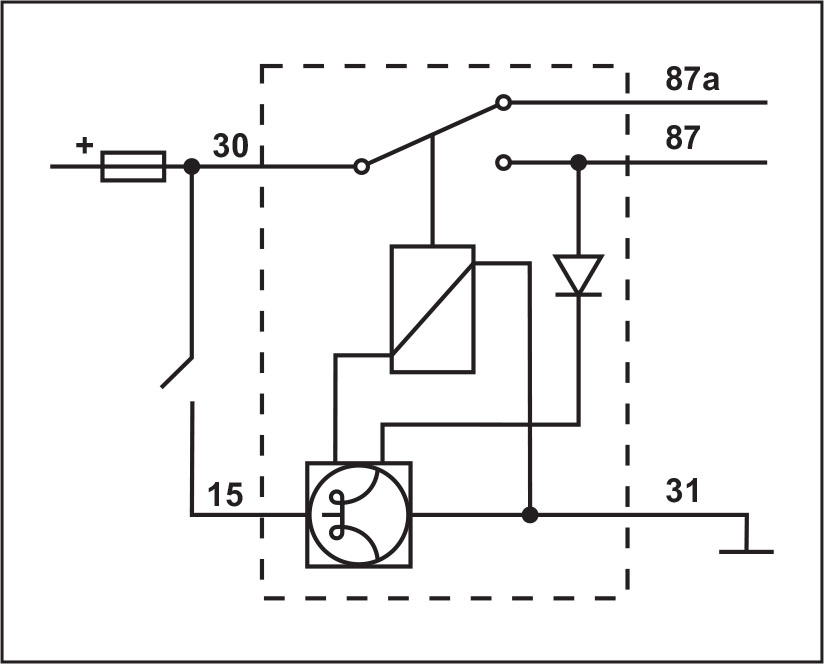
Предназначено для коммутации электрических цепей постоянного тока с номинальным напряжением 12В и используется для включения устройств по алгоритму в соответствии с диаграммами (рис.2).
В реле предусмотрены функции выбора единиц отсчета времени (с, мин, ч), выбора режима работы и установки времени работы. Установка режимов и времени осуществляется с помощью кнопки через отверстие в корпусе реле.
Визуальная диагностика работы реле обеспечивается за счет применения в конструкции изделия встроенного светодиода и полупрозрачного корпуса.
В комплект поставки входит защитный диод с проводами.
Применяется на автомобилях любой марки.
В реле предусмотрены функции выбора единиц отсчета времени (с, мин, ч), выбора режима работы и установки времени работы. Установка режимов и времени осуществляется с помощью кнопки через отверстие в корпусе реле.
Визуальная диагностика работы реле обеспечивается за счет применения в конструкции изделия встроенного светодиода и полупрозрачного корпуса.
В комплект поставки входит защитный диод с проводами.
Применяется на автомобилях любой марки.
Характеристики
| Номинальное напряжение, В | 12 |
| Максимальный ток коммутации, А | 25 |
| Ток потребления, не более, мА | 50 |
| Время работы, с/мин/ч | 0-600 |
| Габаритные размеры реле, мм | 40х28х25 |
| Масса не более, г | 20 |
