ИНСТРУКЦИЯ ПО МОНТАЖУ И ЭКСПЛУАТАЦИИ
1 Настройка
1.1.Извлечь заглушку из отверстия корпуса для доступа к кнопке.
1.2.Подать питание на реле (“85” - минус, “86” - “плюс”). Реле начнёт работать в предварительно заданном режиме.
1.3.Настроить параметры реле с помощью кнопки в соответствии с диаграммой (рис.3).
1.4.Установить заглушку на место.
2 Подключение
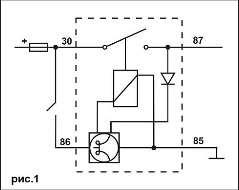
2.1.Подключить реле по схеме (рис.1).
2.2.При подаче питания реле начнёт работать в предварительно заданном режиме в соответствии с диаграммой (рис.2).
РЕГТАЙМ10-12
Новинка
Предназначено для коммутации электрических цепей постоянного тока с номинальным напряжением 12В и используется для включения устройств по алгоритму в соответствии с диаграммами (рис.2).
В реле предусмотрены функции выбора единиц отсчета времени (с, мин, ч), выбора режима работы и установки времени работы. Установка режимов и времени осуществляется с помощью кнопки через отверстие в корпусе реле.
Визуальная диагностика работы реле обеспечивается за счет применения в конструкции изделия встроенного светодиода.
Применяется на автомобилях любой марки.
В реле предусмотрены функции выбора единиц отсчета времени (с, мин, ч), выбора режима работы и установки времени работы. Установка режимов и времени осуществляется с помощью кнопки через отверстие в корпусе реле.
Визуальная диагностика работы реле обеспечивается за счет применения в конструкции изделия встроенного светодиода.
Применяется на автомобилях любой марки.
Подробнее
Характеристики
| Номинальное напряжение, В | 12 |
| Максимальный ток коммутации, А | 200 |
| Ток потребления, не более, мА | 550 |
| Время работы, T1(T2), с/мин/ч | 0-600 |
| Количество циклов T1/T2 | (0-600)/∞ |
| Степень защиты | IP54 |
| Присоединительные резьбовые клеммы | М6 |
| Габаритные размеры, мм | 77х45х45 |
| Масса, кг | 0,1 |
